Resistance Touch Panel (RTP)
电阻触摸屏接口模块的功能包括:
- 检测电阻触摸屏的触摸动作
- 通过 ADC 获取电阻触摸屏的X轴/Y轴/触摸点的分压值。
软件驱动通过X轴/ Y轴/触摸点的分压值计算,可以获得电阻触摸屏触摸点的坐标,以及触摸压感值。
电阻触摸屏接口模块通过 ADC 来获取电阻触摸屏的电压值,因此在启动本模块之前,需要先启动 ADC Interface Module (ADCIM) 模块。
特性说明
- 支持APB总线访问寄存器
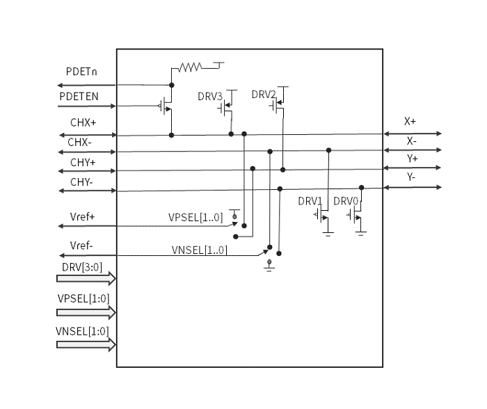
- 仅支持四线RTP,即X+/X-/Y+/Y-
- 支持最多两点触摸
- 支持压力感应
- 支持采样滤波,滤波参数可配
- 支持触摸检测中断
- 支持16*16 FIFO
原理框图
