Edit online

封装尺寸

D211BB / D211BC QFN88

../images/pod_qfn88_top.png
1. QFN88 封装尺寸图 TOP
../images/pod_qfn88_bot.png
2. QFN88 封装尺寸图 BOTTOM

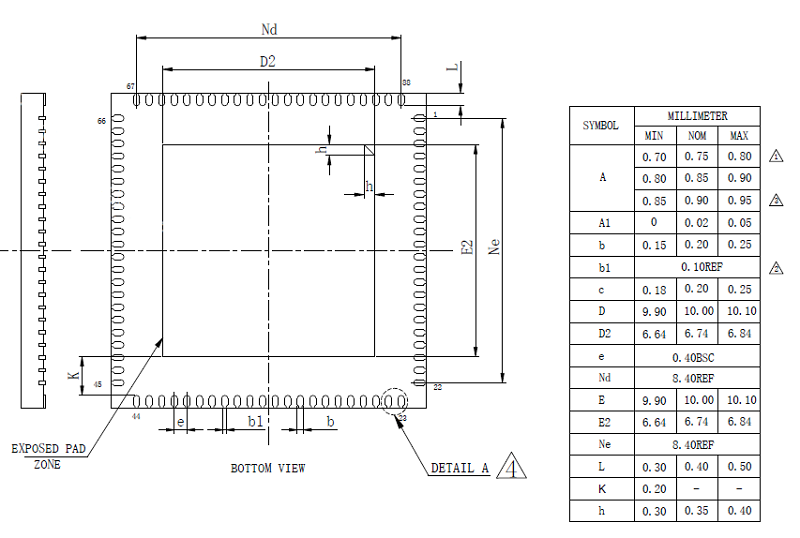
D211DB / D211DC QFN100

../images/pod_qfn100_top.png
3. QFN100 封装尺寸图 TOP
../images/pod_qfn100_bot.png
4. QFN100 封装尺寸图 BOTTOM

D213EC QFN128

../images/pod_qfn128_top.png
5. QFN128 封装尺寸图 TOP
../images/pod_qfn128_bot.png
6. QFN128 封装尺寸图 BOTTOM